Wykonałem go na ferrytach z materiału "61" o
przenikalności u-125. Rdzeń prądowy to FT50-61, a napięciowy FT82-61. Dla mocy
do 1000 wat należy nawinąć 27-30 zwoi na każdym rdzeniu. Średnica drutu
nawojowego 0,4-0,5mm.
Im mniej zwoi, tym większe napięcie pomiarowe, ale większe straty mocy.
Większość projektów zakłada użycie rdzeni z materiału 43. Moje
doświadczenia wykazały niższą stratność dla materiału 61, przez co
rdzenie mniej się nagrzewają.
Dla przykładu: indukcyjność cewki przy 30 zwojach na FT82-43 wynosi 400uH , dla
FT87-61 to 70 uH jest ona w zupełności wystarczająca dla najniższego pasma 1,8
MHz
Rezonans widziany przy 90 MHz okazał się rezonansem linii przejścia sygnału -
tego jednostronnie ekranowanego kawałka RG142
Przy mocy 1000 wat / 50Ω, napięcie skuteczne wynosi około 220 V.
Przekładnia 30/1 zapewnia obniżenie napięcia do wartości 7V co daje do
1wat mocy wydzielanej mocy na rezystorze 50 OHM
Rdzeń prądowy nie jest narażony na przesycenie ponieważ działa w układzie
obciążonego przekładnika prądowego i moc przenoszona w sprawnym układzie nie
przekracza 1 wata ( 7V na wtórnym 30 zwoi ).
Dla mniejszych mocy do 100Wat, nawijamy 20 zwoi, w ten
sposób uzyska się wyższe napięcia pomiarowe. Jeszcze mniejsza
ilość
zwoi nie zapewni minimalnej wymaganej indukcyjności cewki
napięciowej i dla mocy QRP zalecam 2x10-15 zwoi z
zastosowaniem rdzeni FT50-43.
Pokazany na zdjęciach przewód RG213 służył jako uzwojenie wtórne dla większego rdzenia
FT82-61
Po wielu testach okazało się, że bliskość ekranu z kabla RG213 w
transformatorze napięciowym (ft82), tworzy dodatkową pojemność z uzwojeniem. Wpływa to na obniżenie napięcia
pomiarowego dla wyższych częstotliwości. Obecnie zalecam zastosowanie dla
obydwu rdzeni przewód Rg142. Mechanicznie można wykorzystać plastik z kołka
rozporowego (fi10) i po skróceniu utworzy on tulejkę dystansową dla rdzenia "82", lub wykonać własnoręcznie tulejkę z poliamidu lub teflonu.
Zastosowane diody Schottkiego 1n5711 doskonale radzą sobie dla takiej mocy i
częstotliwości. Błąd pomiaru wynikający z ich nieliniowości jest drobną wadą
takiego mostka i zależy on głównie od prądu obciażenia.
Otwory montażowe na płytce pasują rozstawem do gniazd UC1
Konkluzja: Prezentowany mostek Stocktona w układzie "Tandem Match"
bardzo łatwo uzyskuje kierunkowość w zakresie
KF. Nie wymaga strojenia i jest dość łatwy w budowie. Dzięki temu stał się
bardzo popularnym rozwiązaniem. Przekroczenie 30 zwoi powoduje problemy z
kierunkowością i pokazuje rezonanse w zakresie powyżej 50 MHz, które powodują błędy
pomiarowe. Zastosowanie większej średnicy rdzenia napięciowego lub wykonanie go
z innego ferrytu, nie rozwiązuje problemu. Jeśli dla większej mocy nie
zwiększymy ilości zwoi, to zaczną się odkładać się spore moce na rezystorach
pomiarowych. Do większych mocy proponuję układ Bruena który zostanie dokładnie opisany.
|
Moc Wat |
Napięcie padanej |
Napięcie odbitej |
Impedancja obciążenia |
|
1 |
0,1 |
0,00 |
50 |
|
2 |
0,2 |
0,00 |
50 |
|
5 |
0,4 |
0,00 |
50 |
|
10 |
0,65 |
0,00 |
50 |
|
20 |
0,95 |
0,00 |
50 |
|
30 |
1,2 |
0,00 |
50 |
|
40 |
1,43 |
0,00 |
50 |
|
50 |
1,67 |
0,00 |
50 |
|
70 |
2,00 |
0,00 |
50 |
|
100 |
2,4 |
0,01 |
50 |
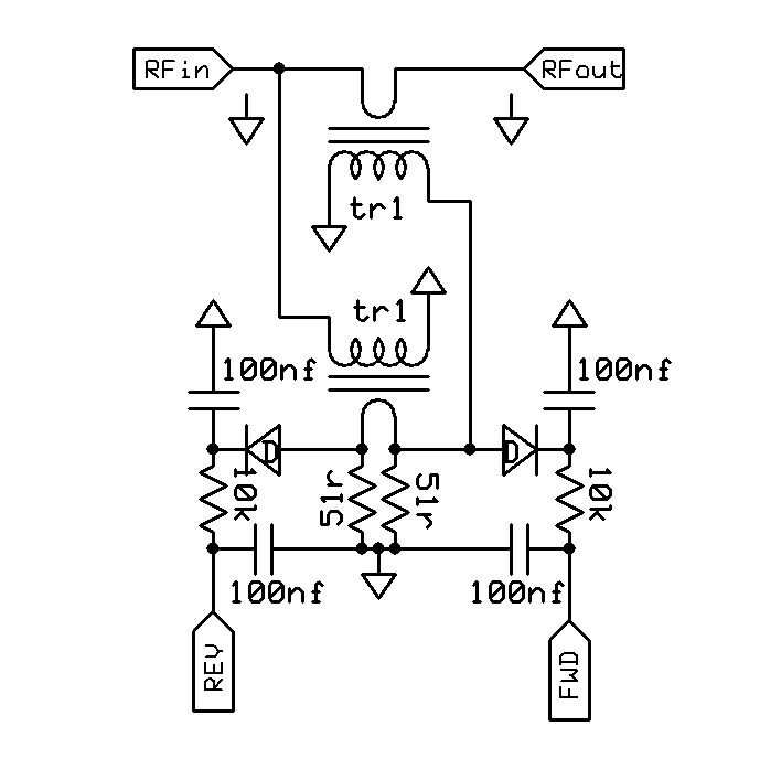
Schemat

Za rezystorami znajdują się diody prostownicze
Tłumienie w paśmie przepustowym dla KF 0,04dB
skala pomiaru 0,1db/dzialkę

Zdjęcia wykonanego układu